本系列有载分接开关(以下称开关)主要适用于容量160KVA~25000KVA,一次侧额定电压为10KV和35KV及以下,最大额定通用电流分别为125A、200A、400A及以下,额定频率为50Hz或60Hz的油浸式电力变压器。
有载分接开关作为有载调压变压器的一个组成部分。采用有载调压的目的是限制电压波动幅度,提高电压质量。
本系列开关配用我厂生产的YK-2 3 型有载分接开关自动控制器。

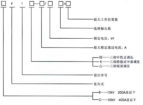
举例说明CF1△400-35/77型开关:
最大额定通过电流为400A,额定电压为35KV,选择开关对地工频绝缘电压为95KV,选择器触头数为7,最大工作位置数为7,使用于端部调压的复合式开关。
技术参数
本系列开关技术参数见表1

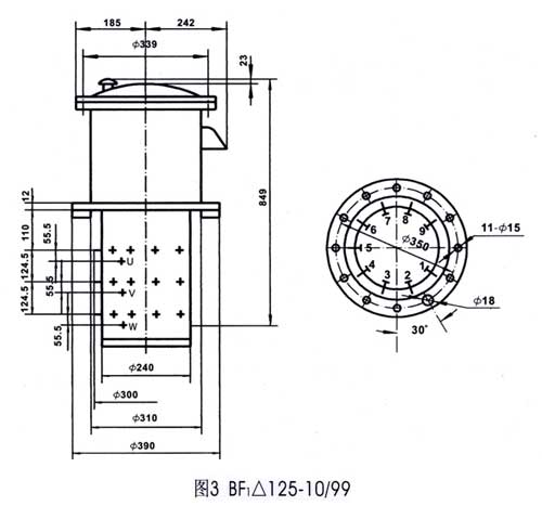
外形和安装尺寸
开关外形和安装尺寸分别见图1、图2、图3、图4、图5、图6
订货须知
用户订货时,需提供下述资料:
① 变压器额定容量
② 电压等级
③ 接线方式
④ 调压级数
⑤ 调压精度
⑥ 配套订购的控制型号
⑦ 开关和控制器连接电缆线长度(随机供货长度为30米)
为了方便用户选用我公司的开关,特附开关接线图7、图8

开关外形和安装尺寸

开关外形和安装尺寸

开关外形和安装尺寸

开关(钟罩式)外形和安装尺寸

开关(钟罩式)外形和安装尺寸
YK-2/3型有载分接开关自动控制器是有载调压系统的手动和自动控制装置。通过控制器实现远方对有栽调压开关的升压和降压及停止操作。
YK-2配BF1系列有载分接开关。
YK-3配CF1系列有载分接开关。
安装方法(见图9)

样本中所示为常规产品,本公司可根据用户需要,设计、制造特殊规格的有载分接开关。
样本中各图示尺寸仅与本公司现行产品相符。今后如因产品改进致相关尺寸变动的,恕不一一更正,当订货时以公司提供的变动后的尺寸为准,敬请用户鉴凉。